technik:fertigung:schweissen:schweissnahtunregelmaessigkeiten_iso5817

Plugin name 'noticeboard_orig' is not a valid plugin name, only the characters a-z and 0-9 are allowed. Maybe the plugin has been installed in the wrong directory?

Bewertung von Schweißnahtunregelmäßigkeiten (Stahl)

Die Tabelle enthält die Abnahmekriterien nach DIN EN ISO 5817.
Davon abweichende Anforderungen entsprechend DIN EN 1090-2:2018 (Pkt. 7.6.1 „Routineanforderungen“)1) sind in die Übersicht eingebunden und an den blau markierten Feldern erkennbar.

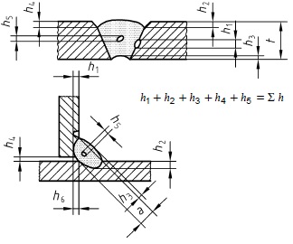
Legende zur Tabelle (Formeln + Skizzen)
a = Nennmaß bei Kehl- (a-Maß) bzw. Stumpfnähten (s-Maß)
b = Breite der Nahtüberhöhung
d = Durchmesser einer Pore
l = Länge der Unregelmäßigkeit in Längsrichtung der Schweißung
lp = Länge der projizierten Fläche od. Querschnittsfläche
h = Höhe oder Breite der Unregelmäßigkeit
kU = kurze Unregelmäßigkeit
t = Rohrwand- oder Blechdicke (Nenngröße)
wp = Breite der Schweißnaht od. Breite od. Höhe einer Bruchfläche
z = Schenkellänge einer Kehlnaht
α = Nahtübergangswinkel
β = Winkel des Winkelversatzes
alle Maße in [mm]
Nr. nach
ISO 5817
Nr. nach
ISO 6520-1
Benennung der
Unregelmäßigkeit
Bemerkungen t
[mm]
Grenzwerte der Unregelmäßigkeit bei Bewertungsgruppe
(bzw. Ausführungsklasse nach EN 1090-2)
D C B
(EXC 1) (EXC 2) (EXC 3) / (EXC 4) 2)
1.1 100 Riss - ≥ 0,5 nicht zulässig nicht zulässig nicht zulässig
1.2 104 Endkraterriss - ≥ 0,5 nicht zulässig nicht zulässig nicht zulässig
1.3


2017


Oberflächenpore


- 0,5 bis 3 d ≤ 0,3a nicht zulässig nicht zulässig
> 3 d ≤ 0,3a
(max. 3 mm)
d ≤ 0,2a
(max. 2 mm)
nicht zulässig
1.4





2025





Offener Endkraterlunker





1.4_2025.jpg 0,5 bis 3 h ≤ 0,2t nicht zulässig nicht zulässig
wie Bewertungsgruppe D
> 3 h ≤ 0,2t
(max. 2 mm)
h ≤ 0,1t
(max. 1 mm)
nicht zulässig
wie Bewertungsgruppe D
1.5

401

Bindefehler
( außer Mikro-Bindefehler)
- ≥ 0,5 nicht zulässig nicht zulässig nicht zulässig
1.6




4021




Ungenügender
Wurzeleinbrand



Nur für einseitig geschweißte Stumpfnähte
1.6_4021.jpg
≥ 0,5 kU: h ≤ 0,2t
(max. 2 mm)
nicht zulässig nicht zulässig
1.7











5011
5012










Durchlaufende und
nicht durchlaufende
Einbrandkerbe









Weicher Übergang wird verlangt.
Gilt nicht als systemat. Unregelmäßigk.

1.7_5011_5012.jpg
0,5 bis 3 kU: h ≤ 0,2t kU: h ≤ 0,1t nicht zulässig
> 3 h ≤ 0,2t
(max. 1 mm)
h ≤ 0,1 t
(max. 0,5 mm)
h ≤ 0,05t
(max. 0,5 mm)
1.8




5013




Wurzelkerbe




Weicher Übergang wird verlangt.
1.8_5013.jpg
0,5 bis 3 h ≤ 0,2 mm + 0,1t kU: h ≤ 0,1t nicht zulässig
> 3 kU: h ≤ 0,2t
(max. 2 mm)
kU: ≤ 0,1t
(max. 1 mm)
kU: h ≤ 0,05t
(max. 0,05 mm)
1.9




502




Zu große
Nahtüberhöhung
(Stumpfnaht)


Weicher Übergang wird verlangt.
1.9_502.jpg
≥ 0,5 h ≤ 1 mm + 0,25b
(max. 10 mm)
h ≤ 1 mm + 0,15b
(max. 7 mm)
h ≤ 1 mm + 0,1b
(max. 5 mm)
1.10







503







Zu große
Nahtüberhöhung
(Kehlnaht)





Weicher Übergang wird verlangt.
1.10_503.jpg
≥ 0,5 h ≤ 1 mm + 0,25b
(max. 5 mm)
h ≤ 1 mm + 0,15b
(max. 4 mm)
h ≤ 1 mm + 0,1b
(max. 3 mm)
1.11









504









Zu große
Wurzelüberhöhung








1.11_504.jpg 0,5 bis 3 h ≤ 1 mm + 0,6b h ≤ 1 mm + 0,3b h ≤ 1 mm + 0,1b
> 3 h ≤ 1 mm + 1,0b
(max. 5 mm)
h ≤ 1 mm + 0,6b
(max. 4 mm)
h ≤ 1 mm + 0,2b
(max. 3 mm)
1.12










505










Schroffer
Nahtübergang









- Stumpfnähte 1.12_505bw.jpg ≥ 0,5



α ≥ 90° α ≥ 110° α ≥ 150°
Schroffer Nahtübergang muss gem. EN 1090-2 nicht berücksichtigt werden
- Kehlnähte 1.12_505fw.jpg ≥ 0,5



α ≥ 90° α ≥ 100° α ≥ 110°
Schroffer Nahtübergang muss gem. EN 1090-2 nicht berücksichtigt werden
1.13



506



Schweißgutüberlauf



1.13_506.jpg ≥ 0,5 kU: h ≤ 0,2b nicht zulässig nicht zulässig
wie Bewertungsgruppe D
1.14




509

511


Verlaufenes
Schweißgut
Unvollstängig
gefüllte Wurzel

Weicher Übergang wird verlangt.
1.14_509_511.jpg
0,5 bis 3 kU: h ≤ 0,25t kU: h ≤ 0,1t nicht zulässig
> 3 kU: h ≤ 0,25t
(max. 2 mm)
kU: h ≤ 0,1t
(max. 1 mm)
kU: h ≤ 0,05t
(max. 0,5 mm)
1.15 510 Durchbrand - ≥ 0,5 nicht zulässig nicht zulässig nicht zulässig
1.16






512






Ungewünschte
Asymmetrie der
Kehlnaht




1.16_512.jpg ≥ 0,5 h ≤ 2 mm + 0,2a h ≤ 2 mm + 0,15a h ≤ 1,5 mm + 0,15a
1.17










515










Wurzelrückfall










Weicher Übergang wird verlangt.
1.17_515.jpg
0,5 bis 3 h ≤ 0,2mm + 0,1t kU: h ≤ 0,1t nicht zulässig
> 3 kU: h ≤ 0,2t
(max. 2 mm)
kU: h ≤ 0,1t
(max. 1 mm)
kU: h ≤ 0,05t
(max. 0,5 mm)
1.18


516


Wurzelporosität


Schammige Ausbildung der Nahtwurzel als Folge
von Blasenbildungen des Schweißgutes bei der
Erstarrung (z.B. mangelnder Gasschutz der Wurzel)
≥ 0,5 örtlich zulässig nicht zulässig nicht zulässig
1.19




517




Ansatzfehler




- ≥ 0,5 zulässig
Grenze abhängig von der
Art der Unregelmäßigkeit,
die beim Wiederbeginn
auftritt
nicht zulässig nicht zulässig
1.20








5213








Zu kleine
Kehlnahtdicke







Nicht anwendbar auf Prozesse mit
Nachweis von größerem Einbrand

1.20_5213.jpg
0,5 bis 3 kU: h ≤ 0,2 mm + 0,1a kU: h ≤ 0,2 mm nicht zulässig
wie Bewertungsgruppe C wie Bewertungsgruppe B
> 3 kU: h ≤ 0,3 mm + 0,1a
(max. 2 mm)
kU: h ≤ 0,3 mm + 0,1a
(max. 1 mm)
nicht zulässig
wie Bewertungsgruppe C wie Bewertungsgruppe B
1.21







5214







Zu große
Kehlnahtdicke






Die tatsächliche Nahtdicke
der Kehlnaht ist zu groß.

1.21_5214.jpg
≥ 0,5 zulässig h ≤ 1 mm + 0,2a
(max. 4 mm)
h ≤ 1 mm + 0,15a
(max. 3 mm)
1.22


601


Zündstelle


- ≥ 0,5 zulässig bei Beibehaltung
der Eigenschaften des
Grundwerkstoffes
wie Bewertungsgruppe D nicht zulässig
1.23 602 Schweißspritzer - ≥ 0,5 Zuläsigkeit abhängig von Anwendung (z.B. Werkstoff, Korrosionsschutz)
Nr. nach
ISO 5817
Nr. nach
ISO 6520-1
Benennung der
Unregelmäßigkeit
Bemerkungen t
[mm]
Grenzwerte der Unregelmäßigkeit bei Bewertungsgruppe
(bzw. Ausführungsklasse nach EN 1090-2)
D C B
(EXC 1) (EXC 2) (EXC 3) / (EXC 4) 2)
2.1 100 Riss Alle Risstypen außer Mikrorisse und Endkraterrisse ≥ 0,5 nicht zulässig nicht zulässig nicht zulässig
2.2

1001

Mikroriss

Riss gewöhlich nur unter dem Mikroskop
sichtbar (50x)
≥ 0,5 zulässig Zulässigkeit abhängig von der Art des Grund-
werkstoffes und von der Rissanfälligkeit
2.3














2011
2012













Pore
Porosität
(gleichmäßig verteilt)












Folgende Bedingungen und Grenzwerte für
weisser_balken.jpgUnregelmäßigkeiten müssen erfüllt werden:
a1) Größtmaß der Fläche der Unregelmäßigkeit
weisser_balken.jpg(einschl. systematatischer Unregelmäßigkeit)
weisser_balken.jpgbezogen auf die projizierte Fläche
ANMERKUNG: Die Prosität in der Abbildungs-
fläche ist von der Anzahl der Lagen abhängig
(Volumen der Schweißnaht)
a2) Größmaß der Unregelmäßigkeiten in
weisser_balken.jpgder Querschnittsfläche (einschl. systematischer
weisser_balken.jpgUnregelmäßigkeiten) bezogen auf die ge-
weisser_balken.jpgbrochene Oberfläche (nur in Produktion, bei
weisser_balken.jpgSchweißer- od. Verfahrensprüf. anwendbar)
b) weisser_balken.jpgGrößtmaß einzelner Pore




≥ 0,5





≥ 0,5




≥ 0,5



einlagig: ≤ 2,5%
mehrlagig: ≤ 5%




≤ 2,5%




d ≤ 0,4a
(max. 5 mm)


einlagig: ≤ 1,5%
mehrlagig: ≤ 3%




≤ 1,5%




d ≤ 0,3a
(max. 4 mm)


einlagig: ≤ 1%
mehrlagig: ≤ 2%




≤ 1%




d ≤ 0,2a
(max. 3 mm)
2.4




























2013




























Porennest




























2.4_2013.jpg
Fall 1: Die Summe der versch. Porenflächen
(A1 + A2 + …) bezogen auf die Bewertungsfläche
lp x wp. weisser_balken.jpgBezugslänge für lp ist 100 mm.
Fall 2: Wenn D kleiner dA1 oder dA2 (wobei der
kleinere Wert gilt) ist die die Porennestfläche
A1 + A2 umschließende Hüllkurve als eine Fläche
von Unregelmäßigkeiten zu betrachten

Folgende Bedingungen und Grenzwerte für
weisser_balken.jpgUnregelmäßigkeiten müssen erfüllt werden:
a) Größtmaß der Fläche der Unregelmäßigkeit
weisser_balken.jpg(einschl. systematatischer Unregelmäßigkeit)
b) Größtmaß einzelner Pore


























≥ 0,5

≥ 0,5

























≤ 16%

d ≤ 0,4a
(max. 4 mm)

























≤ 8%

d ≤ 0,3a
(max. 3 mm)

























≤ 4%

d ≤ 0,2a
(max. 2 mm)
2.5

































2014

































Porenzeile

































2.5_2014.jpg
Die Summe der verschiedenen Porenflächen
{ [ (d12 • π) / 4] + [ (d22 • π) / 4] + …} bezogen auf die
Bewertungsfläche lp x wp (Fall 1)
Wenn D kleiner ist als der kleinste Druchmesser von
einer benachbarten Pore, ist die porenumgebende
Hüllfläche als Summe der Unregelmäßigkeit anzu-
setzen (Fall 2)

Folgende Bedingungen und Grenzwerte für
weisser_balken.jpgUnregelmäßigkeiten müssen erfüllt werden:
a1) Größtmaß der Unregelmäßigkeit in der Oberfläche
weisser_balken.jpg(einschl. systematatischer Unregelmäßigkeit)
weisser_balken.jpgbezogen auf die projizierte Fläche
ANMERKUNG: Die Prosität in der Abbildungs-
fläche ist von der Anzahl der Lagen abhängig
(Volumen der Schweißnaht)
a2) Größmaß der Querschnittsfläche der
weisser_balken.jpg Unregelmäßigkeiten (einschl. systematischer
weisser_balken.jpgUnregelmäßigkeiten) bezogen auf die ge-
weisser_balken.jpgbrochene Oberfläche (nur in Produktion, bei
weisser_balken.jpgSchweißer- od. Verfahrensprüf. anwendbar)
b) weisser_balken.jpgGrößtmaß einzelner Pore





















≥ 0,5





≥ 0,5




≥ 0,5






















einlagig: ≤ 8%
mehrlagig: ≤ 16%




≤ 8%




d ≤ 0,4a
(max. 4 mm)





















einlagig: ≤ 4%
mehrlagig: ≤ 8%




≤ 4%




d ≤ 0,3a
(max. 3 mm)





















einlagig: ≤ 2%
mehrlagig: ≤ 4%




≤ 2%




d ≤ 0,2a
(max. 2 mm)
2.6






2015
2016





Gaskanal
Schlauchpore





- ≥ 0,5






h ≤ 0,4a
(max. 4 mm)
l ≤ a
(max. 75 mm)



h ≤ 0,3a
(max. 3 mm)
l ≤ a
(max. 50 mm)



h ≤ 0,2a
(max. 2 mm)
l ≤ a
(max. 25 mm)



2.7



202



Lunker



- ≥ 0,5



kU: zulässig, aber nicht
bis zur Oberfläche

h ≤ 0,4a
(max. 4 mm)
nicht zulässig



nicht zulässig



2.8





2024





Endkraterlunker





2.8_2024.jpg
Es gilt das größere Maß (h oder l)
0,5 bis 3
>3




h/l ≤ 0,2t
h/l ≤ 0,2t
(max. 2 mm)



nicht zulässig





nicht zulässig





2.9






300
301
302
303



BW: Fester Einschluss
weisser_balken.jpg Schlackeneinschluss
FW: Flussmitteleinschluss
weisser_balken.jpg Oxideinschluss




- ≥ 0,5






h ≤ 0,4a
(max. 4 mm)
l ≤ a
(max. 75 mm)



h ≤ 0,3a
(max. 3 mm)
l ≤ a
(max. 50 mm)



h ≤ 0,2a
(max. 2 mm)
l ≤ a
(max. 25 mm)



2.10

304

Metallischer Einschluss
außer Kupfer
- ≥ 0,5

h ≤ 0,4a
(max. 4 mm)
h ≤ 0,3a
(max. 3 mm)
h ≤ 0,2a
(max. 2 mm)
2.11 3042 Kupfereinschluss - ≥ 0,5 nicht zulässig nicht zulässig nicht zulässig
2.12







401

4011
4012
4013



Bindefehler (unvoll-
ständige Bindung)
Flankenbindefehler
Lagenbindefehler
Wurzelbindefehler



2.12_401_4011-4013.jpg ≥ 0,5







kU zulässig aber nicht
bis zur Oberfläche

h ≤ 0,4a
(max. 4 mm)




nicht zulässig







nicht zulässig







2.13























402























Ungenügende
Durchschweißung






















2.13_402fw.jpg
2.13_402fw_bw.jpg
2.13_402bw.jpg
≥ 0,5









≥ 0,5









≥ 0,5

kU: h ≤ 0,2a
(max. 2 mm)








kU: h ≤ 0,2a
(max. 2 mm)








kU: h ≤ 0,2a
(max. 2 mm)

nicht zulässig









kU: h ≤ 0,1a
(max. 1,5 mm)








nicht zulässig


nicht zulässig









nicht zulässig









nicht zulässig

Nr. nach
ISO 5817
Nr. nach
ISO 6520-1
Benennung der
Unregelmäßigkeit
Bemerkungen t
[mm]
Grenzwerte der Unregelmäßigkeit bei Bewertungsgruppe
(bzw. Ausführungsklasse nach EN 1090-2)
D C B
(EXC 1) (EXC 2) (EXC 3) / (EXC 4) 2)
3.1


















507


















Kantenversatz


















Grenzwerte bezogen auf einwandfreie Lage
(Übereinstimmung der Mittellinien)
t bezogen auf geringere Dicke
Kantenversatz innerhalb gegebener Grenzen
gilt nicht als systemat. Unregelmäßigkeit

3.1_507a.jpg
3.1_507b.jpg
0,5 bis 3

> 3












≥ 0,5



h ≤ 0,2 mm + 0,25t

h ≤ 0,25t
(max. 5 mm)











h ≤ 0,5t
(max. 4 mm)


h ≤ 0,2 mm + 0,15t

h ≤ 0,15t
(max. 4 mm)











h ≤ 0,5t
(max. 3 mm)


h ≤ 0,2 mm + 0,1t

h ≤ 0,1t
(max. 3 mm)











h ≤ 0,5t
(max. 2 mm)


3.2




508




Winkelversatz




3.2_508.jpg ≥ 0,5




β ≤ 4°




β ≤ 2°




β ≤ 1°




3.3









617









Schlechte Passung
bei Kehlnähten








Keine Einschränkung bezüglich systemat.
Unregelmäßigkeiten

3.3_617.jpg
0,5 bis 3
> 3








h ≤ 0,5 mm + 0,1a
h ≤ 1 mm + 0,3a
(max. 4 mm)







h ≤ 0,3 mm + 0,1a
h ≤ 0,5 mm + 0,2a
(max. 3 mm)







h ≤ 0,2 mm + 0,1a
h ≤ 0,5 mm + 0,1a
(max. 2 mm)







Nr. nach
ISO 5817
Nr. nach
ISO 6520-1
Benennung der
Unregelmäßigkeit
Bemerkungen t
[mm]
Grenzwerte der Unregelmäßigkeit bei Bewertungsgruppe
(bzw. Ausführungsklasse nach EN 1090-2)
D C B
(EXC 1) (EXC 2) (EXC 3) / (EXC 4) 2)
4.1











keine











Mehrfachunregelmäßig-
keiten in beliebigem
Querschnitt 3)

Querschnitt (Makro-
schliff) aus dem ungüns-
tigsten Nahtbereich





4.1.jpg 0,5 bis 3

>3








nicht zulässig

Max. Gesamthöhe der
Unregelmäßigkeiten
∑ h ≤ 0,4t od. ≤ 0,25a






nicht zulässig

Max. Gesamthöhe der
Unregelmäßigkeiten
∑ h ≤ 0,3t od. ≤ 0,2a






nicht zulässig

Max. Gesamthöhe der
Unregelmäßigkeiten
∑ h ≤ 0,2t od. ≤ 0,15a






4.2



















Keine



















Abbildungs- oder Quer-
schnittsfläche in Längs-
richtung

















4.2.jpg
Fall 1: Summe d. Oberflächen ∑ h x l berechnet in % bezogen auf
weisser_balken.jpgBewertungsfläche lp x wp
Fall 2: Wenn D kleiner als kleinste Länge einer benachbarten
weisser_balken.jpgUnregelmäßigkeit gilt die volle Verbindung beider benach-
weisser_balken.jpgbarten Unregelmäßigkeiten.










≥ 0,5














∑ h x l ≤ 16%














∑ h x l ≤ 8%














∑ h x l ≤ 4%




poren_1.jpg poren_1_5.jpg poren_2.jpg
poren_2_5.jpg poren_3.jpg poren_4.jpg
poren_5.jpg poren_8.jpg poren_16.jpg

1)
Abnahmebedingungen für ermüdungsbeanspruchte Schweißnähte (1090-2, Pkt. 7.6.2) sind in den Ausführungsunterlagen vorzugeben
2)
EXC 4 mindestens wie EXC 3, zusätzliche Anforderungen an einzelne Schweißnähte sind festzulegen
3)
Siehe Punkt 5 „Vergleichsmuster zur Bestimmung des prozentualen Anteils von Unregelmäßigkeiten“
  • technik/fertigung/schweissen/schweissnahtunregelmaessigkeiten_iso5817.txt
  • Zuletzt geändert: 2025/08/28 12:40
  • von 127.0.0.1